基本参数
- 产地浙江
- 品牌
- 产品型号
- 产品操作
- 产品应用范围
- 产品材料等级
- 产品表面处理
- 品牌旭力
- 型号GN30-12
- 灭弧方式其他
- 极数2P
- 安装地点户内
- 操作方式手动操作
- 加工定制否
- 额定频率50HZ
- 额定电压12KV
- 额定电流630A
- 机械寿命10000次
- 产品认证CCC
产品简介:
产品详情:“为电力建设绿色家园”-旭力电气 本公司专业研发和生产GN30-12型旋转式户内电压隔离开关和其他高压电气产品;
专业的技术研发团队,严格的质量控制;
优质的产品为您提供了质量保证,专业的售后服务团队,使您从未任何后顾之忧:欢迎您的咨询。
自成立以来, 旭力电气实行了三大战略:业务创新战略,以人为本的管理战略和以技术为主导的战略。具备完整科学的质量管理体系和严格的科学管理,成立了强劲的新产品开发研究部门,力争产品达到领先程度。经过多年的风风雨雨,公司慢慢实现了“生产现代化”,“企业股份化”和“产品专业化”。为了适于时期的发展,公司不停调整经营策略性。现在它持有先进的技术和现代化的生产装置。希望与您协作。
产品描述:
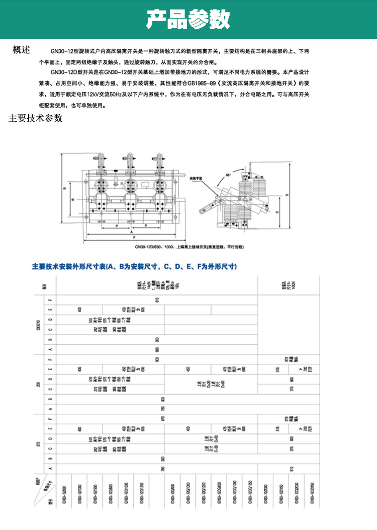
GN30-12型旋转式户内高电语开关是一种新型的旋转开关隔离器。主要构造在上下两个平面上,具三相公共底部。两组绝缘子和触点固定。实现开关的打开和关闭。
GN30-12D型开关是在GN30-12型开关的基石上添加接地刀的形式,可以满足不同电源系统的需要。该产品设计连贯,空间小,绝缘性强,容易安装和调整,并且性能满足GB1985-89≤ac。要求高压隔离开关和接地开关用以室内系统。额定电压为10kvac50hz及以下。它们用以在有电压和无负载条件下切换电路。它可以与高压开关柜一齐用到,也可以单独采用。
环境条件:
海拔不超过1000m;
环境温度:上限+40oc;下限-10oc;
相对湿度:日平均值不大于95%;月平均值不大于90%;
地震烈度不超过8度;
并未严重的尘土,化学腐蚀和爆炸性材质。




